CN
Product Center
Current Location: Home - Product Center - Square gear reducer - 80JB100K
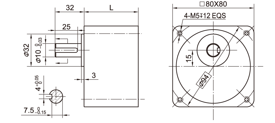
80JB100K
Gear Ratio ParameterGear Ratio(mm) DimensionStage25 ~ 1832Stage320 ~ 5043Stage46...
Bearing at outputBall bearings
Max.Radialload(10mm from the shaft end)≤150N
Max.shaft axial load≤50N
Radial play of shaft (near to flange)≤0.08mm
Axial play of shaft≤0.4mm
Backlash at no-load≤3°
Shaft press fit force,max≤200N


product details
Outline reference diagram
  • Gear Ratio Parameter

Gear Ratio

(mm) Dimension

Stage2

5 ~ 18

32

Stage3

20 ~ 50

43

Stage4

60 ~ 200


Parameter

Stage2

Stage3

Stage4

Transmission efficiency

81%

73%

66%

Rated tolerance torque

3N.m

5N.m

10N.m

Input and output direction

 Same direction

Reverse direction

Same direction

Max momentary tolerance torque

Two times of the rated torque

Operating temperature

-10℃ ~ +80℃

Operating ambient humidity

20% ~ 85%RH

Recommend input speed

≤3000rpm


  • Motor matching scheme

图片2.png

Module

No.of teeth

Stage2

Stages

Stage4

0.6

 

11

 

5

20

60

6

25

75

7.5

30

90

9

36

100

10

40

120

12.5

50

150

15


180

18


200


image.png

product recommendation
product recommendation
90JB200K

90mm square gear reducer

Allowable torque range :20 n.m


View details
70JB80K

70mm square gear reducer

Allowable torque range :8 n.m


View details
42JB30K

42mm square gear reducer

Allowable torque range :3 n.m


View details
80CJB250K

80mm square gear reducer

Allowable torque range :25N.m


View details
Online Service