CN
Product Center
Current Location: Home - Product Center - Hybrid step planetary gear reduction motor - 36JXES60K/35STH
36JXES60K/35STH
Planetary GearboxRing materialE :Metal  F :Powder metalBearing at outputBall bearings...
  • Material of the internal gear ring

  • 36JXES60K/35STH: Metal material

  • 36JXFS60K/35STH: Powdered metal

  • Diameter: Φ36mm standard type reducer

  • Allowable torque range: 1.8N.m to 6.0N.m



product details
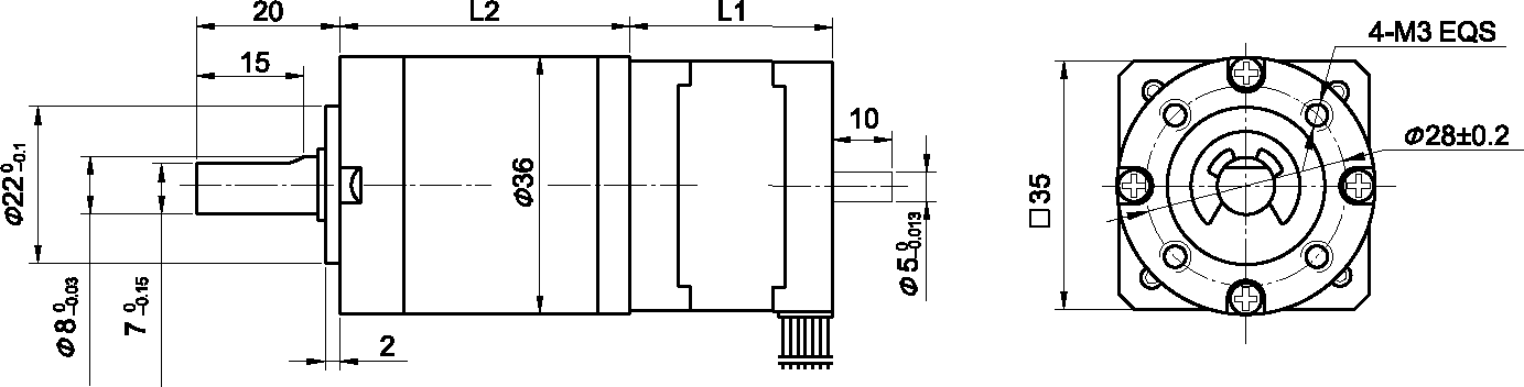
Outline reference diagram
  • Planetary Gearbox

Ring material

E :Metal  F :Powder metal

Bearing at output

Ball bearings

Max. Radial load(10mm from flange)

≤50N

Max. shaft axial load

≤30N

Radial play of shaft (near to flange)

≤0.07 mm

Axial play of shaft

≤0.3 mm

Backlash at no-load

≤1.5°


  • 35STH Hybrid Stepping Motor Specifications

Model No.

Rated Voltage

Current

/Phase

Resistance

/Phase

Inductance

/Phase

Holding Torgue

of Leads

Rotor Inertia

Weight

Length L1

Max. Gear Ratio

Single Shaft

V

A

Ω

mH

g.cm


g-m²

g

mm


35STH28-0504A

10

0.5

20

14

1000

4

11

140

28

≤ 1:264

35STH36-1004A

2.7

1.0

2.7

4.3

1400

4

14

180

36

≤1:189


   

  •   36JXES60K Planetary Gearbox Specifications

Reduction ratio

3.71

5.18

14

19

27

51

71

100

139

Number of gear trains

1

2

3

Length(L2) mm

27.0

34.1

41.0

kg.cm

Max. rated torque

18

30

48

kg .cm

Short time permissible torque

54

90

144

Efficiency %

90%

81%

73%

Weight g

195

210

290



  • Frequency-torque  Characteristics

blob.png


49.png

product recommendation
product recommendation
56JXS300K/57STH

Material of the internal gear ring

56JXS300K/57STH: Metal material

Diameter: Φ56mm standard type reducer (with oil seal)

Allowable torque range: 9.0N.m to 30N.m


View details
22JXS20K/20STH

Material of the internal gear ring

22JXS20K/20STH: Metal material

Diameter: Φ22mm standard type reducer

Allowable torque range: 0.6N.m to 2.0N.m


View details
42JXGS100K/42STH

Material of the internal gear ring

42JXGS100K/42STH: Metal material

Diameter: Φ42mm planetary reducer

Allowable torque range: 3 n.m to 10 n.m


View details
36JXES60K/42STH

Material of the internal gear ring

36JXES60K/42STH: Metal material

36JXFS60K/42STH: Powdered metal

Diameter: Φ36mm planetary reducer

Allowable torque range: 1.8N.m to 6.0N.m


View details
Online Service