CN
Product Center
Current Location: Home - Product Center - Hybrid step planetary gear reduction motor - 42JXGTS200K/42STH
42JXGTS200K/42STH
 Planetary GearboxRing materialMetalBearing at outputBall bearingsMax. Radial load(12mm from fl...
  • Material of the internal gear ring

  • 42JXGTS200K/42STH: Metal material

  • Diameter: Φ42mm planetary reducer

  • Allowable torque range: 6 n.m to 20 n.m



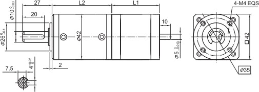
product details
Outline reference diagram
  •  Planetary Gearbox

Ring material

Metal

Bearing at output

Ball bearings

Max. Radial load(12mm from flange)

≤80N

Max. shaft axial load

≤30N

Radial play of shaft (near to flange)

≤0.06 mm

Axial play of shaft

≤0.3 mm

Backlash at no-load

≤1.5°


  • 42STH  Hybrid Stepping Motor Specifications

Model No.

Rated Voltage

Current

/Phase

Resistance

/Phase

Inductance

/Phase

Holding Torgue

 of Leads

Rotor Inertia


Weight

 Length L1

Max. Gear Ratio

Single Shaft

V

A

Ω

mH

g.cm


g-m²

g

mm


42STH38-1684A

2.8

1.68

1.65

3.2

3.6

4

54

0.28

40

≤ 1:247

42STH47-1684A

2.8

1.68

1.65

2.8

4.4

4

68

0.35

48

≤1:106


  • 42JXGTS200K Planetary Gearbox Specification

Reduction ratio

4.44

17

22

65

83

106

247

316

403

515

Number of gear trains

1

2

3

4

Length(L2) mm

38.2

49.7

60.0

70.3

kg. cm Max. rated torque

60

100

160

200

kg.cm Short time permissible torque

180

300

480

600

Efficiency %

90%

81%

73%

66%

Weight g

350

450

550

650


  • Frequency-torque Characteristics

43.png

42.png

product recommendation
product recommendation
42JXGS100K/42STH

Material of the internal gear ring

42JXGS100K/42STH: Metal material

Diameter: Φ42mm planetary reducer

Allowable torque range: 3 n.m to 10 n.m


View details
42JX150K/42STH

Material of the internal gear ring

42JX150K/42STH: Metal material

Diameter: Φ42mm planetary reducer

Allowable torque range: 3 n.m to 10 n.m


View details
22JXS20K/20STH

Material of the internal gear ring

22JXS20K/20STH: Metal material

Diameter: Φ22mm standard type reducer

Allowable torque range: 0.6N.m to 2.0N.m


View details
36JXES60K/42STH

Material of the internal gear ring

36JXES60K/42STH: Metal material

36JXFS60K/42STH: Powdered metal

Diameter: Φ36mm planetary reducer

Allowable torque range: 1.8N.m to 6.0N.m


View details
Online Service