EN
产品中心
Product Center
当前位置: 首页 - 产品中心 - 小背隙行星齿轮减速器 - 60JBK50K
60JBK50K
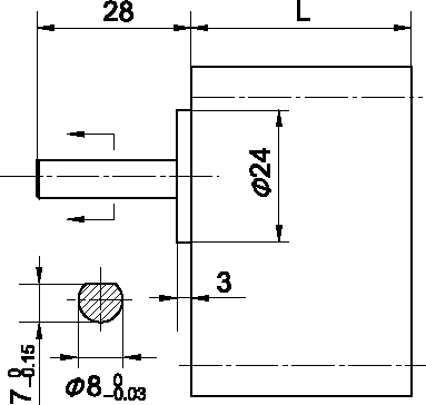
减速比参数Gear Ratio Parameter减速比Gear RatioL尺寸(mm) Dimension二级 Stage23.6 ~1832三级 Stage320 ~...
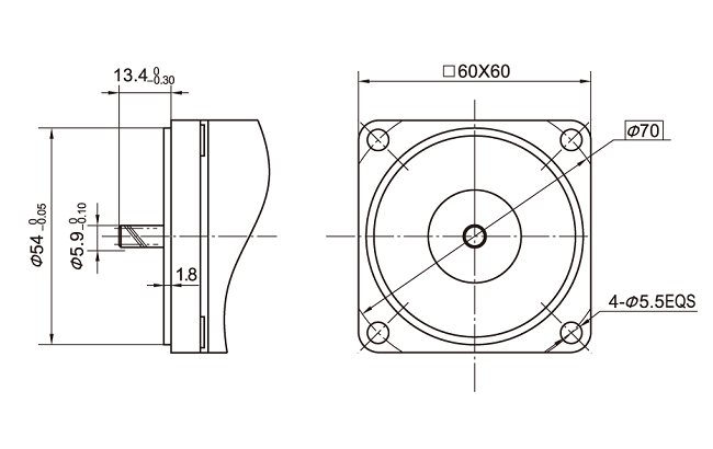
输出轴轴承形式 Bearing at output滚动轴承Ball bearings
最大允许径向负载(离轴前端10mm处)
Max.Radial load(0mm from the shaft end)
≤50N
最大允许轴向负载 Max.shaft axial load≤30N
径向间隙(测量点尽量接近法兰
Radial play of shaft (near to flange)
≤0.08mm
轴向间隙 Axial play of shaft≤0.4mm
背隙(无负载时)Backlash at no-load≤0.5°
输出轴最大承受压入力
Shaft press fit force, max
≤150N


产品详情
外形参考图
  • 减速比参数Gear Ratio Parameter

减速比Gear Ratio

L尺寸(mm) Dimension

二级 Stage2

3.6 ~18

32

三级 Stage3

20 ~ 50

40

四级 Stage4

60 ~ 200

40


参数 Parameter

二级 Stage2

三级Stage3

四级Stage4

传动效率

Transmission efficiency

81%

73%

66%

额定允许扭矩

Rated tolerance torque

1 N.m

2N.m

5N.m

瞬间允许扭矩

Max momentary tolerance torque

2倍额定扭矩 Two times of the rated torque

工作温度

Operating temperature

-10℃~ +80℃

使用相对湿度

Operating ambient humidity

20%~85%RH

推荐输入转速

Recommend input speed

≤3000rpm

输入与输出转向

Input and output direction

同向 Same direction

反向 Reverse direction

同向 Same direction


  • 电机配合方案Motor matching scheme


 

图片1.png 

模数

Module

齿数

No.of teeth

二级

Stage2

三级

Stages

四级

Stage4

0.5

8

3.6

20

60

5

25

75

6

30

90

7.5

36

100

8.4

40

120

9

44

150

10

47

180

12.5

50

200

15



18




图片2.png图片3.png

产品推荐
product recommendation
36JXK30K

Φ36小背隙行星减速器

允许转矩范围:63N.m~3.0Mm


查看详情
28JXK30K

Φ28小背隙行星减速器

允许转矩范围:0.3N.m~3.0Mm


查看详情
42JBK30K

Φ42小背隙行星减速器

允许转矩范围:3N.m


查看详情
42JXK150K

Φ42小背隙行星减速器

允许转矩范围:2N.m-15N.rn


查看详情
在线客服