CN
Product Center
Current Location: Home - Product Center - Planetary gear reducer - 42JX150K
42JX150K
Gear Ratio ParameterGear Ratio(mm) DimensionStagel3.5~6.032.5Stage214~3039.2Stage349~14446Staged172~...
Housing materialMetal
Bearing at outputBall bearings
Max.Radialload(12mm from flange)≤80N
Max.shaft axial load≤30N
Radial play of shaft (near to flange)≤0.06mm
Axial play of shaft≤0.3 mm
Backlash at no-load≤1.5°
Shaft press fit force,max≤150N


product details
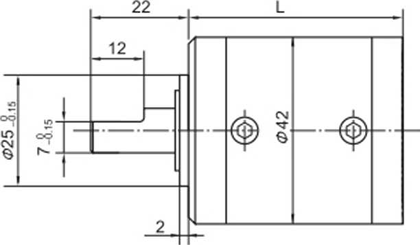
Outline reference diagram
  • Gear Ratio Parameter

Gear Ratio

(mm) Dimension

Stagel

3.5~6.0

32.5

Stage2

14~30

39.2

Stage3

49~144

46

Staged

172~504

52.5


Parameter

Stage1

Stage2

Stage3

Stage4

Transmission efficiency

90%

81%

73%

66%

Rated tolerance torque

2N.m

4N.m

8N.m

15N.m

Max momentary tolerance torque

 Three times of the rated torque

Operating temperature

-10℃~ +80℃

Operating ambient humidity

20%~85%RH

Recommend input speed

≤4000rpm

Input and output direction

Same direction


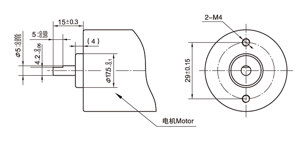
  • Motor matching scheme

图片8.png

Module

No.of teeth

Stagel

Stage2

Stage3

Stage4

0.6

24

3.5

14

49

172


21

84

294



126

504

18

4.33

17

61

212



104

364




416

15

5.0

30



12

6.0

24

144



图片6.png图片7.png

product recommendation
product recommendation
72JX850K

Φ72 planetary reducer

Allowable torque range: 15 n.m to 85 n.m


View details
32JX30K

Φ32 planetary reducer

Allowable torque range :0.3N.m to 3.0N.m


View details
36JX30K

Φ36 planetary reducer

Allowable torque range :0.3N.m to 3.0N.m


View details
42JX100K

Φ42 planetary reducer

Allowable torque range: 1 n.m to 10 n.m


View details
Online Service