CN
Product Center
Current Location: Home - Product Center - Planetary gear reducer - 32JX30K
32JX30K
 Gear Ratio ParameterGear Ratio(mm) DimensionStage13.7 ~ 5.225.7Stage214 ~ ...
Housing materialMetal
Bearing at outputBall bearings
Max.Radial load(10mm from flange)≤35N
Max.shaft axial load≤25N
Radial play of shaft (near to flange)≤0.07mm
Axial play of shaft≤0.3 mm
Backlash at no-load≤1.5°
Shaft press fit force, max≤100N


product details
Outline reference diagram
  •  Gear Ratio Parameter

Gear Ratio

(mm) Dimension

Stage1

3.7 ~ 5.2

25.7

Stage2

14 ~ 27

32.8

Stage3

51 ~ 139

39.7

Stage4

189 ~720

46.6







Parameter

Stage1

Stage2

Stage3

Stage4

Transmission efficiency

90%

81%

73%

66%

Rated tolerance torque

0.3N.m

1.2N.m

2.5N.m

3.0N.m

Max momentary tolerance torque

 Three times of the rated torque

Operating temperature

-10℃~ +80℃

Operating ambient humidity

20% ~ 85%RH

Recommend input speed

≤4000rpm

Input and output direction

Same direction



  • Motor matching scheme

图片1.png

Module

No.of teeth

Stagel

Stage2

Stages

Stage4

0.5

17

3.7

14

51

189

11

5.2

19

71

265


27

100

369



139

516




720



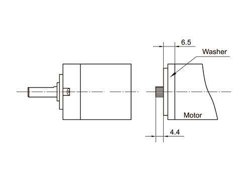
image.png

product recommendation
product recommendation
42JX100K

Φ42 planetary reducer

Allowable torque range: 1 n.m to 10 n.m


View details
42JX150K

Φ42 planetary reducer

Allowable torque range :2 n.m to 15 n.m


View details
82JX1200K

Φ82 planetary reducer

Allowable torque range :20 n.m to 120 n.m


View details
36JX30K

Φ36 planetary reducer

Allowable torque range :0.3N.m to 3.0N.m


View details
Online Service