CN
Product Center
Current Location: Home - Product Center - Small backlash planetary gear reducer - 42JBK30K
42JBK30K
Gear Ratio ParameterGear Ratio(mm) DimensionStage23.6 ~ 1028.5Stage318 ~ 20Stage...
Bearing at outputBall bearings
Max.Radial load(Omm from the shaft end)≤50N
Max.shaft axial load≤15N
Radial play of shaft (near to flange)≤0.08mm
Axial play of shaft≤0.4 mm
Backlash at no-load≤0.5°
Shaft press fit force, max≤100N


product details
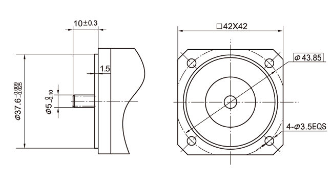
Outline reference diagram
  • Gear Ratio Parameter

Gear Ratio

(mm) Dimension

Stage2

3.6 ~ 10

28.5

Stage3

18 ~ 20

Stage4

24 ~ 45


Parameter

Stage2

Stage3

Stage4

Transmission efficiency

81%

73%

66%

Rated tolerance torque

0.5N.m

1.5N.m

3N.m

Max momentary tolerance torque

                                    Two times of the rated torque

Operating temperature

-10℃~ +80℃

Operating ambient humidity

20%~85%RH

Recommend input speed

≤3000rpm

Input and output direction

Same direction

 Reverse direction

Same direction


  • Motor matching scheme

图片6.png

Module

No.of teeth

Stage2

Stages

Stage4

0.4

10

3.6

18

24

7.2



9



10



0.4

9



50


图片5.png

product recommendation
product recommendation
36JXK30K

Φ36 small backlash planetary reducer

Allowable torque range :63 n.m to 3.0Mm


View details
42JXK100K

Φ42 small backlash planetary reducer

Allowable torque range


View details
42JXK150K

Φ42 small backlash planetary reducer

Allowable torque range :2N.m-15 N.m


View details
28JXK30K

Φ28 small backlash planetary reducer

Allowable torque range :0.3N.m to 3.0Mm


View details
Online Service