CN
Product Center
Current Location: Home - Product Center - Square gear reducer - 60CJB50K
60CJB50K
Gear Ratio ParameterParameterStage2Transmission efficiency81%Rated tolerance torque5N.mInput and out...
Bearing at outputBall bearings
Max.Radial load(10mm from the shaft end)≤150N
Max.shaft axial load≤50N
Radial play of shaft (near to flange)≤0.08mm
Axial play of shaft≤0.4mm
Backlash at no-load≤3°
Shaft press fit force,max≤200N


product details
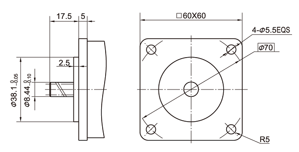
Outline reference diagram
  • Gear Ratio Parameter

Parameter

Stage2

Transmission efficiency

81%

Rated tolerance torque

5N.m

Input and output direction

Same direction

Max momentary tolerance torque

Two times of the rated torque

Operating temperature

-10℃ ~ +80℃

Operating ambient humidity

20% ~ 85%RH

Recommend input speed

≤3000rpm


  • Motor matching scheme

图片2.png

Module

No.of teeth

Stage2

0.6

11

7.5

15


图片1.png

product recommendation
product recommendation
90CJB400K

90mm square gear reducer

Allowable torque range :40 n.m


View details
60JB50K

60mm square gear reducer

Allowable torque range :5 n.m


View details
80CJB250K

80mm square gear reducer

Allowable torque range :25N.m


View details
42JB30K

42mm square gear reducer

Allowable torque range :3 n.m


View details
Online Service