CN
Product Center
Current Location: Home - Product Center - DC motor - 42ZY85
42ZY85
Description of The Product 42MM OD PMDC motor, totally enclosed, used in occasions which requir...
product details
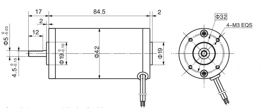
Outline reference diagram
  • Description of The Product 

42MM OD PMDC motor, totally enclosed, used in occasions which require motors with low noise.


  • Motor Technical Data

Type

Rated 

Voltage 

DVC

No-load

speed 

r/min

No-load 

current

A

Rated

speed 

r/min

Rated

Torque 

mN.m

Output 

power

W

Rated 

current

A

Stall

Torque 

mN.m

Stall 

Current

A

42ZY85-2430

24

3000

0.20

2400

70

15

1.2

280

3.7

42ZY85-2436

24

3600

0.30

2850

80

23

1.5

290

4.7



1497522261828602.png

product recommendation
product recommendation
Online Service