CN
Product Center
Current Location: Home - Product Center - DC motor - 52ZY95
52ZY95
 Description of The Product 52MM OD PMDC motor, totally enclosed, used in occasions which ...
product details
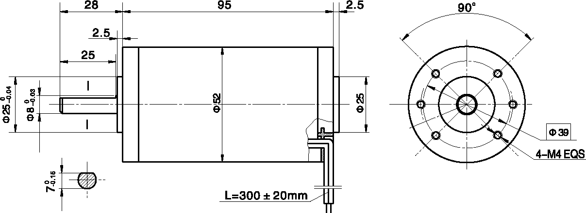
Outline reference diagram
  •  Description of The Product 

52MM OD PMDC motor, totally enclosed, used in occasions which require motors with low noise.


  • Motor Technical Data

TYPE

Rated

voltage VDC

No-load 

speed 

r/min

No-load 

current

A

Rated 

speed 

r/min

Rated 

torque 

mN.m

Output 

Power

W

Rated 

current

A

Stall 

torque 

mN.m

Stall 

current

A

52ZY95-2420

24

2000

0.2

1600

80

15

1.2

400

4.2

52ZY95-2430

24

3000

0.3

2400

100

25

1.8

410

6.0

52ZY95-2440

24

4000

0.4

3200

130

40

3.0

585

11



图片5.png

product recommendation
product recommendation
Online Service