CN
Product Center
Current Location: Home - Product Center - DC motor - 63ZY125
63ZY125
Description of The Product 63MM OD PMDC motor, totally enclosed, used in occasions which requir...
product details
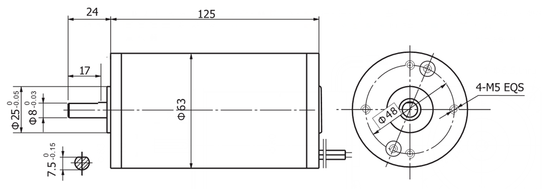
Outline reference diagram
  • Description of The Product 

63MM OD PMDC motor, totally enclosed, used in occasions which require motors with low noise.


  • Motor Technical Data



    TYPE


    Rated 

    voltage 

    VDC


    No-load 

    speed 

    r/min


    No-load 

    current

    A


    Rated 

    speed 

    r/min


    Rated 

    torque 

    mN.m


    Output 

    Power

    W


    Rated 

    current

    A


    Stall 

    torque 

    mN.m


    Stall 

    current

    A

    63ZY125-2430

    24

    3000

    0.5

    2500

    265

    65

    4.6

    950

    15.2

    63ZY125-2435

    24

    3500

    0.8

    2800

    320

    95

    6.0

    1100

    19.3

    63ZY125-2440

    24

    4000

    1.2

    3200

    450

    150

    9.0

    1200

    22.6



1497520182537103.png

product recommendation
product recommendation
Online Service