CN
Product Center
Current Location: Home - Product Center - Permanent magnet DC worm gear reduction motor - 63JW/63ZY125
63JW/63ZY125
Description of The Product1、Suitable application: gearbox and motor output shafts form a right angle...
  • Permanent magnet DC worm gear reduction motor

  • 63JW/63ZY125

  • Allowable torque range: 8 n.m



product details
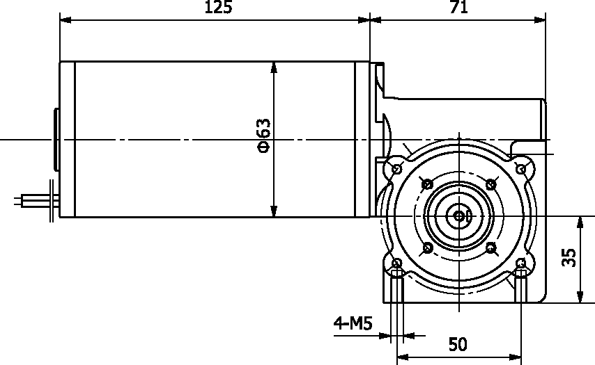
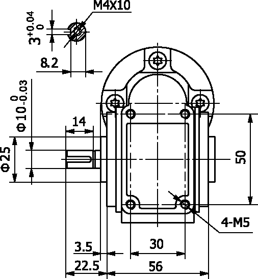
Outline reference diagram
  • Description of The Product

1、Suitable application: gearbox and motor output shafts form a right angle. 

2、12VDC is available, motor speed is adjustable upon request.

3、Encoder & brake is available upon request.


  • Motor Technical Data

Type

Rated 

voltage 

VDC

No-load 

speed 

r/min

No-load 

current

A

Rated 

speed 

r/min

Rated 

Torque 

mN.m

Output 

power

W

Rated 

current

A

Stall 

torque 

mN.m

Stall 

Current

A

63ZY125-2430

24

3000

0.5

2600

0.25

70

4.6

1.1

20

63ZY125-3633

36

3300

0.5

2700

0.34

100

4.0

1.6

16


  • Gear Motor Technical Data

63ZY125-2430 DC Motor

Reduction ratio

30

15

10

Number of gear trains

1

2

3

No-load speed r/min

100

200

300

Rated speed r/min

87

173

260

Rated torque N.m

5.2

3.0

2.1

N.m Max. permissible load in a short time

8.0

5.0

5.0


63ZY125-3633 DC Motor

Reduction ratio

30

15

10

Number of gear trains

1

2

3

No-load speed r/min

110

220

330

Rated speed r/min

90

180

270

Rated torque N.m

7.1

4.0

2.9

N.m Max. permissible load in a short time

8.0

5.0

5.0



图片3.png    图片4.png

product recommendation
product recommendation
90JW/60JX/60ZY

Permanent magnet DC worm gear reduction motor

90JW/60JX/60ZY

Allowable torque range: 20 n.m


View details
90JW/JB/80ZY115

Permanent magnet DC worm gear reduction motor

90JW/JB/80ZY115

Allowable torque range: 20 n.m


View details
90JW/83ZY125

Permanent magnet DC worm gear reduction motor

90JW/83ZY125

Allowable torque range: 20 n.m


View details
63JW/63ZY105

Three-phase worm gear reduction motor 40-90W

63JW/63ZY105

Allowable torque range: 20 n.m


View details
Online Service