CN
Product Center
Current Location: Home - Product Center - Permanent magnet DC worm gear reduction motor - 90JW/JB/80ZY115
90JW/JB/80ZY115
Description of The ProductMixed configuration, 1:10 eccentric shaft gearbox is equipped at the front...
  • Permanent magnet DC worm gear reduction motor

  • 90JW/JB/80ZY115

  • Allowable torque range: 20 n.m


product details
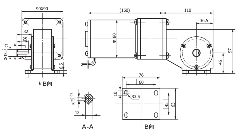
Outline reference diagram
  • Description of The Product

Mixed configuration, 1:10 eccentric shaft gearbox is equipped at the front of worm gearbox to increase total drive ratio and achieve lower speed. Total ratio equals to the product of the two gear ratios.


  • Motor Technical Data

Type

Rated

voltage

VDC

No-load

speed

r/min

No-load 

current

A

Rated

speed

r/min

Rated 

Torque 

mN.m

Output 

power

W

Rated 

current

A

Stall

torque

mN.m

Stall 

Current

A

80ZY115-1225

12

2500

1.5

2000

0.4

84

10

1.5

30


  • Gear Motor Technical Data

80ZY115-1225 DC motor

Reduction ratio

125

160

250

 Number of threads

2

2

1

No-load speed   r/min 

20

16

10

 Rated speed  r/min

16

13

8

  Rated torque  N.m

16

20

20

Permissible load  N.m

40

40

40



image.png

说明:产品出厂时左出轴是常规配置,如要求右出轴需在订货时特别说明。

Remarks:Standard product is left output shaft, right output shaft is available upon request.


product recommendation
product recommendation
90JW/83ZY125

Permanent magnet DC worm gear reduction motor

90JW/83ZY125

Allowable torque range: 20 n.m


View details
63JW/63ZY105

Three-phase worm gear reduction motor 40-90W

63JW/63ZY105

Allowable torque range: 20 n.m


View details
90JW/60JX/60ZY

Permanent magnet DC worm gear reduction motor

90JW/60JX/60ZY

Allowable torque range: 20 n.m


View details
63JW/63ZY125

Permanent magnet DC worm gear reduction motor

63JW/63ZY125

Allowable torque range: 8 n.m


View details
Online Service