CN
Product Center
Current Location: Home - Product Center - Permanent magnet DC worm gear reduction motor - 90JW/83ZY125
90JW/83ZY125
Description of The Product1、All equipped with ball bearings, left, right or hollow output shaft are ...
  • Permanent magnet DC worm gear reduction motor

  • 90JW/83ZY125

  • Allowable torque range: 20 n.m


product details
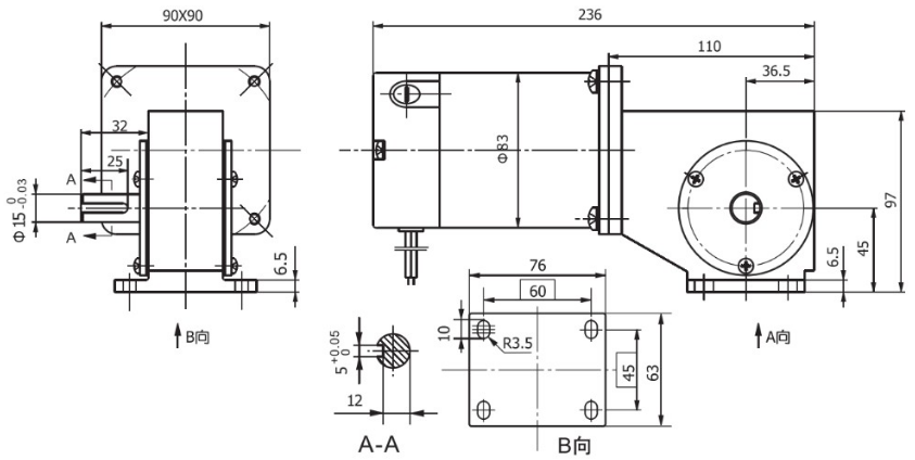
Outline reference diagram
  • Description of The Product

1、All equipped with ball bearings, left, right or hollow output shaft are available.

2、Customers can equip output shafts of different length, shape or directions within hollow shaft.


  • Motor Technical Data

Type

Rated 

voltage 

VDC

No-load 

speed 

r/min

No-load 

current

A

Rated 

speed 

r/min

Rated 

Torque 

mN.m

Output 

power

W

Rated 

current

A

Stall 

torque 

mN.m

Stall 

Current

A

83ZY125-2420

24

2000

0.8

1700

0.24

42

3.5

1.6

17

83ZY125-2430

24

3000

0.9

2500

0.30

77

4.6

1.8

20


  • Gear Motor Technical Data

83ZY125-2420 DC Motor

Reduction ratio

50

40

32

25

16

12.5

Number of gear trains

1

1

1

1

2

2

No-load speed r/min

40

50

62

80

125

160

Rated speed r/min

30

37

46

60

93

120

Rated torque N.m

8.4

6.7

5.3

4.2

3.0

2.4

N.m Max. permissible load in a short time

20

20

20

20

10

10


83ZY125-2430 DC Motor

Reduction ratio

50

40

32

25

16

12.5

Number of gear trains

1

1

1

1

2

2

No-load speed r/min

60

75

93

120

187

240

Rated speed r/min

46

57

71

92

143

184

Rated torque N.m

10.5

8.4

6.7

5.2

3.8

3.0

N.m Max. permissible load in a short time

20

20

20

20

10

10



image.png

说明:产品出厂时左出轴是常规配置,如要求右出轴需在订货时特别说明。

Remarks:Standard product is left output shaft, right output shaft is available upon request.


product recommendation
product recommendation
63JW/63ZY105

Three-phase worm gear reduction motor 40-90W

63JW/63ZY105

Allowable torque range: 20 n.m


View details
90JW/60JX/60ZY

Permanent magnet DC worm gear reduction motor

90JW/60JX/60ZY

Allowable torque range: 20 n.m


View details
90JW/JB/80ZY115

Permanent magnet DC worm gear reduction motor

90JW/JB/80ZY115

Allowable torque range: 20 n.m


View details
63JW/63ZY125

Permanent magnet DC worm gear reduction motor

63JW/63ZY125

Allowable torque range: 8 n.m


View details
Online Service