CN
Product Center
Current Location: Home - Product Center - Permanent magnet DC gear reduction motor - 60JB50K/52ZY125
60JB50K/52ZY125
Description of The Product60mm integrated gearbox, with rated torque up to 5.0 N.m, alloy constructi...
  • Model: 60JB50K/52ZY125

  • Allowable torque range: 5.0N.m

  • Silent product



product details
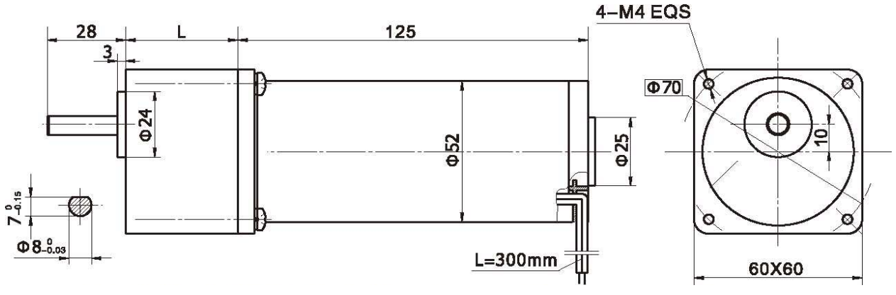
Outline reference diagram
  • Description of The Product

60mm integrated gearbox, with rated torque up to 5.0 N.m, alloy constructional steel gears, all equipped with ball bearings.


  • Motor Technical Date

TYPE

Rated

voltage 

VDC

No-load 

Speed

r/min

No-load

current 

mA

Rated 

Speed

r/min

Rated 

torque

mN.m

Output 

power

W

Rated

current 

mA

Stall 

Torque m

N.m

Stall

current 

A

52ZY125-2420

24

2000

0.40

1600

160

30

2.0

620

6.5

52ZY125-2430

24

3000

0.60

2400

190

50

3.5

700

11.5


  •  Gear Motor Technical Data

52ZY125-2420 DC Motor

Reduction ratio

3

5

7.5

10

12.5

15

25

30

50

Number of gear trains

2

2

2

2

2

2

3

3

3

Length(L) mm

32

32

32

32

32

32

40

40

40

No-load speed r/min

667

400

267

200

160

133

80

67

40

Rated speed r/min

533

320

213

160

128

106

64

53

32

Rated torque N.m

0.38

0.64

0.97

1.2

1.6

1.9

3.2

3.8

5.0

N.m Max. permissible load in a short time

    5

    5

5

5

15

15

15

15

15

Direction of rotation

CW

CW

CW

CW

CW

CW

CCW

CCW

CCW


52ZY125-2430 DC Motor

 Reduction ratio

3

5

7.5

10

12.5

15

25

30

50

Number of gear trains

2

2

2

2

2

2

3

3

3

Length(L) mm

32

32

32

32

32

32

40

40

40

No-load speed r/min

1000

600

400

300

240

200

120

100

60

 Rated speed r/min

800

480

320

240

192

160

96

80

48

Rated torque N.m

0.46

0.76

1.1

1.5

1.9

2.3

3.1

3.7

5.0

 N.m Max. permissible load in a short time

2.5

    2.5

2.5

2.5

2.5

2.5

5.0

5.0

5.0

Direction of rotation

CW

CW

CW

CW

CW

CW

CCW

CCW

CCW


  •  Motor Characteristic Figure

    图片1.png


image.png

product recommendation
product recommendation
37JB6K/35ZY40

Model: 37JB6K/35ZY40

Diameter: Φ37mm planetary reducer

Allowable torque range: 0.6N.m

Silent product


View details
60JB50K/52ZY95

Model: 60JB50K/52ZY95

Allowable torque range: 5.0N.m

Silent product


View details
37JBE10K/36ZY50

Model: 37JBE10K/36ZY50

Diameter: Φ37mm planetary reducer

Allowable torque range: 1.0N.m

Silent product


View details
37JB6K/33ZY24

Model: 37JB6K/33ZY24

Diameter: Φ37mm planetary reducer

Allowable torque range: 0.6N.m

Silent product


View details
Online Service