CN
Product Center
Current Location: Home - Product Center - Permanent magnet DC gear reduction motor - 60JB50K/52ZY95
60JB50K/52ZY95
 Description of The Product60mm integrated gear reducer, allowing a load of 5.0N.m. Alloy struc...
  • Model: 60JB50K/52ZY95

  • Allowable torque range: 5.0N.m

  • Silent product



product details
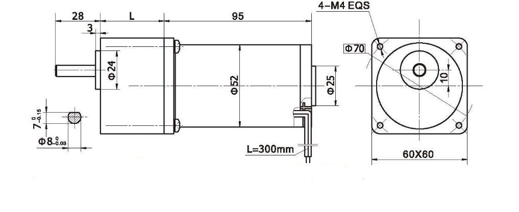
Outline reference diagram
  •  Description of The Product

    60mm integrated gear reducer, allowing a load of 5.0N.m. Alloy structural steel gears, with all rolling bearings configured


  •  Motor Technical Date

TYPE

Rated voltage VDC

No-load Speed

r/min

No-load current mA

Rated

Speed r/min

Rated

torque mN.m

Output power

W

Rated current mA

Stall

Torque m N.m

Stall current

A

52ZY95-2420

24

2000

0.2

1600

80

15

1.2

0.40

4.2

52ZY95-2430

24

3000

0.3

2400

100

25

1.8

0.41

6.0


  •  Gear Motor Technical Data

52ZY95-2420 DC Motor

 Reduction ratio

3

5

7.5

10

12.5

15

25

30

50

75

90

100

120

Number of gear trains

2

2

2

2

2

2

3

3

3

4

4

4

4

 Length(L) mm

32

32

32

32

32

32

40

40

40

40

40

40

40

No-load speed r/min

667

400

267

200

160

133

80

67

40

27

22

20

16

 Rated speed r/min

533

320

213

160

128

106

64

53

32

21

18

16

13

Rated torque N.m

0.19

0.32

0.48

0.64

0.81

0.97

1.4

1.7

2.9

3.9

4.7

5.0

5.0

N.m Max. permissible load in a short time

2.5

2.5

2.5

2.5

2.5

2.5

5.0

5.0

5.0

10

10

10

10

Direction of rotation

CW

CW

CW

CW

CW

CW

CCW

CCW

CCW

CW

CW

CW

CW

52ZY95-2435 DC Motor

Reduction ratio

3

5

7.5

10

12.5

15

25

30

50

75

90

Number of gear trains

2

2

2

2

2

2

3

3

3

4

4

Length(L) mm

32

32

32

32

32

32

40

40

40

40

40

 No-load speed r/min

1000

600

400

300

240

200

120

100

60

40

33

Rated speed r/min

800

480

320

240

192

160

96

80

48

32

26

 Rated torque N.m

0.24

0.4

0.6

0.8

1.0

1.2

1.8

2.1

3.6

4.9

5.0

N.m Max. permissible load in a short time

2.5

2.5

2.5

2.5

2.5

2.5

5.0

5.0

5.0

10

10

 Direction of rotation

CW

CW

CW

CW

CW

CW

CCW

CCW

CCW

CW

CW


  •  Motor Characteristic Figure

image.png  image.png



image.png

product recommendation
product recommendation
37JBE10K/36ZY57

Model: 37JBE10K/36ZY57

Diameter: Φ37mm planetary reducer

Allowable torque range: 1.0N.m

Silent product


View details
80JB100K/80ZY115

Model: 80JB100K/80ZY115

Allowable torque range: 10 n.m

Silent product


View details
60JB50K/52ZY125

Model: 60JB50K/52ZY125

Allowable torque range: 5.0N.m

Silent product


View details
37JB6K/35ZY30

Model: 37JB6K/35ZY30

Diameter: Φ37mm planetary reducer

Allowable torque range: 0.6N.m

Silent product


View details
Online Service