CN
Product Center
Current Location: Home - Product Center - Permanent magnet DC gear reduction motor - 60JB50K/60ZY105
60JB50K/60ZY105
Description of The Product60mm integrated gear reducer, allowing a load of 5.0N.m. Alloy structural ...
  • Model: 60JB50K/60ZY105

  • Allowable torque range: 5.0N.m

  • Silent product


product details
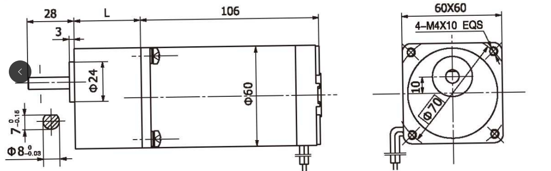
Outline reference diagram
  • Description of The Product

    60mm integrated gear reducer, allowing a load of 5.0N.m. Alloy structural steel gears, with all rolling bearings configured.


  • Motor Technical Date

Type

Rated 

voltage 

VDC

No-load 

speed

r/min

No-load 

current

A

Rated 

speed

 r/min

Rated 

Torque 

mN.m

Output 

power

W

 Rated 

current

A

Stall 

torque 

mN.m

Stall 

Current

A

60ZY105-2420

24

2000

0.25

1600

0.165

30

1.8

0.76

7.3

60ZY105-2430

24

3000

0.35

2400

0.180

45

2.2

0.79

11.2


  •  Gear Motor Technical Data

60ZY105-2420 DC Motor

Reduction ratio


3

5

6

7.5

9

10

12.5

15

20

25

30

36

40

50

Number of gear trains


2

2

2

2

2

2

2

2

3

3

3

3

3

3

Length(L)

mm

32

32

32

32

32

32

32

32

40

40

40

40

40

40

No-load speed

r/min

667

400

333

267

222

200

160

133

100

80

67

56

50

40

Rated speed

r/min

533

320

266

213

177

160

128

106

80

64

53

44

40

32

Rated torque

N.m

0.40

0.66

0.8

1.0

1.2

1.3

1.6

2.0

2.4

3.0

3.6

4.3

4.8

6.0

N.m Max. permissible load in a short time

2.5

2.5

2.5

2.5

2.5

2.5

2.5

2.5

8.0

8.0

8.0

8.0

8.0

8.0

Direction of rotation

CW

CW

CW

CW

CW

CW

CW

CW

CCW

CCW

OCW

CCW

CCW

CCW


60ZY105-2430 DC Motor

Reduction ratio


3

5

6

7.5

9

10

12.5

15

20

25

30

36

40

50

Number of gear trains


2

2

2

2

2

2

2

2

3

3

3

3

3

3

Length(L)

mm

32

32

32

32

32

32

32

32

40

40

40

40

40

40

No-load speed

r/min

1000

600

500

400

333

300

240

200

150

120

100

83

75

60

Rated speed

r/min

800

480

400

320

266

240

192

160

120

96

80

69

62

48

Rated torque

N.m

0.43

0.72

0.87

1.1

1.3

1.4

1.8

2.1

2.6

3.2

3.9

4.7

5.0

5.0

 N.m Max. permissible load in a short time

2.5

2.5

2.5

2.5

2.5

2.5

2.5

2.5

8.0

8.0

8.0

8.0

8.0

8.0

Direction of rotation

CW

CW

CW

CW

CW

CW

CW

CW

CCW

CCW

CCW

CCW

CCW

CCW


  • Motor Characteristic Figure

    图片1.png


E20893C1-FC8D-4693-88B8-25C9968F1392.png

product recommendation
product recommendation
70JB80K/60ZY105

Allowable torque range :8.0N.m


View details
37JB6K/33ZY24

Model: 37JB6K/33ZY24

Diameter: Φ37mm planetary reducer

Allowable torque range: 0.6N.m

Silent product


View details
80JB100K/80ZY100

Model: 80JB100K/80ZY100

Allowable torque range: 10 n.m

Silent product


View details
70JB80K/60ZY75

Model: 70JB80K/60ZY75

Allowable torque range: 8.0N.m

Silent product



View details
Online Service