CN
Product Center
Current Location: Home - Product Center - Permanent magnet DC gear reduction motor - 90JB200K/80ZY115
90JB200K/80ZY115
 Motor Technical DateTypeRated voltage VDCNo-load speed r/minNo-load c...
  • Model: 90JB200K/80ZY115

  • Allowable torque range: 20 n.m

  • Silent product


product details
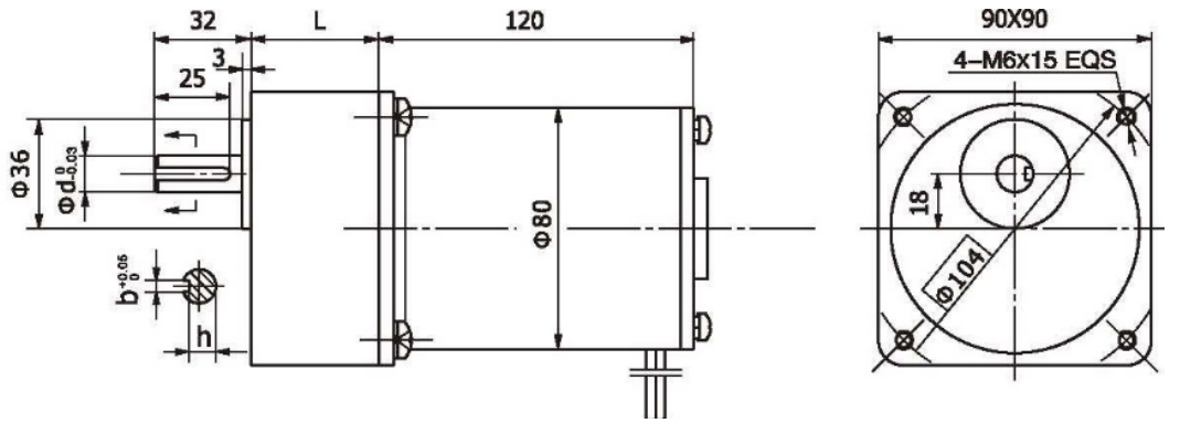
Outline reference diagram
  •  Motor Technical Date

Type

Rated 

voltage 

VDC

No-load 

speed 

r/min

No-load 

current

A

Rated 

speed 

r/min

Rated 

Torque 

N.m

Output 

power

W

Rated

 current

A

Stall 

Torque 

N.m

Stall 

current

A

80ZY115-2420

24

2000

0.3

1700

0.32

57

3.5

1.5

16

80ZY115-2430

24

3000

0.5

2600

0.44

120

7.5

2.0

33


  •  Gear Motor Technical Data

80ZY115-2420 DC Motor


 Reduction ratio

3

5

6

7.5

9

10

12.5

15

18

20

25

30

36

40

50

60

75

Number of gear trains

1

2

2

2

2

2

2

2

3

3

3

3

3

4

4

4

4

Length(L) mm

42

42

42

42

42

42

42

42

60

60

60

60

60

60

60

60

60

No-load speed r/min

667

400

333

267

222

200

160

133

111

100

80

67

56

50

40

33

27

Rated speed r/min

567

340

283

227

189

170

136

113

94

85

68

57

47

43

34

28

23

Rated torque N.m

0.86

1.3

1.6

1.9

2.3

2.6

3.2

3.9

4.2

4.7

5.8

7.0

8.4

8.4

11

13

16

N.m Max. permissible load in a short time

5.0

10

10

10

10

10

10

10

20

20

20

20

20

40

40

40

40

Direction of rotation

CCW

CW

CW

CW

CW

CW

CW

CW

CCW

CCW

CCW

CCW

CCW

CW

CW

CW

CW


80ZY115-2430 DC Motor

Reduction ratio

3

5

6

7.5

9

10

12.5

15

18

20

25

30

36

40

50

60

75

Number of gear trains

1

2

2

2

2

2

2

2

3

3

3

3

3

4

4

4

4

Length(L) mm

42

42

42

42

42

42

42

42

60

60

60

60

60

60

60

60

60

No-load speed r/min

1000

600

500

400

333

300

240

200

167

150

120

100

83

75

60

50

40

Rated speed r/min

867

520

433

347

289

260

208

173

144

130

104

87

72

65

52

43

35

Rated torque N.m

1.2

1.8

2.1

2.7

3.0

3.6

4.5

5.3

5.8

6.4

8.0

9.6

12

12

15

16

17

N.m Max. permissible load in a short time

5.0

10

10

10

10

10

10

10

20

20

20

20

20

40

40

40

40

Direction of rotation

CCW

CW

CW

CW

CW

CW

CW

CW

CCW

CCW

CCW

CCW

CCW

CW

CW

CW

CW


  • Motor Characteristic Figure

图片3.png


Reducer Output Shaft Configuration

(1)Standard Configuration:Diameter d=15, Keyway b=5、 h=12

(2) Optional: Diameterd=12, Keyway b=4、h=9.5

image.png

product recommendation
product recommendation
80JB100K/80ZY100

Model: 80JB100K/80ZY100

Allowable torque range: 10 n.m

Silent product


View details
37JB6K/33ZY24

Model: 37JB6K/33ZY24

Diameter: Φ37mm planetary reducer

Allowable torque range: 0.6N.m

Silent product


View details
70JB80K/60ZY75

Model: 70JB80K/60ZY75

Allowable torque range: 8.0N.m

Silent product



View details
104JB300K/80ZY125

Model: 104JB300K/80ZY125

Allowable torque range: 30 n.m

Silent product



View details
Online Service