CN
Product Center
Current Location: Home - Product Center - Permanent magnet DC planetary gear reduction motor - 42JX150K/42ZY66
42JX150K/42ZY66
Motor Technical DataTYPERated voltageVDCNo-loadspeedr/minNo-loadcurrentARatedspeedr/minRated&nb...
  • Material of the internal gear ring

  • 42JX150K/42ZY66: Metal material

  • 42JX150K/42ZY66: Powdered metal

  • Diameter: Φ42mm reinforced reducer

  • Allowable torque range: 2 n.m to 15 n.m



product details
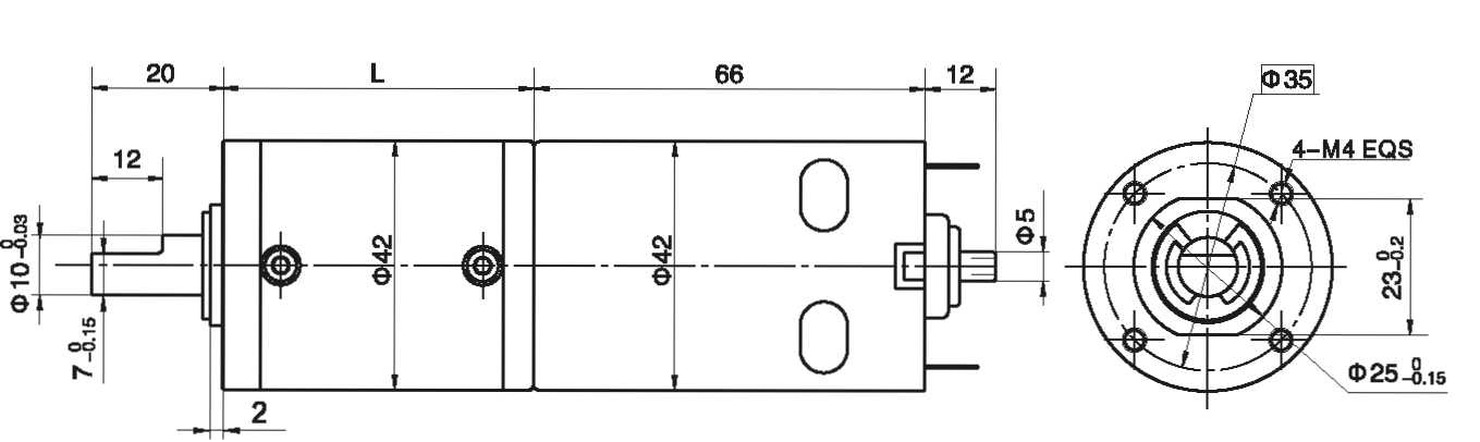
Outline reference diagram
  • Motor Technical Data

TYPE

Rated

 voltage

VDC

No-load

speed

r/min

No-load

current

A

Rated

speed

r/min

Rated

 torque

mN.m

Output

 power

W

Rated

 current

A

Stall

Torque

 mN.m

Stall

 current

A

42ZY66-1257

12

5700

0.8

4800

45

25

3.0

280

15.2

42ZY66-1277

12

7700

1.3

6500

65

35

5.0

240

20.5


  •  Gear Motor Technical Data

42ZY66-1257 DC Motor

Reduction ratio

3.5

14

17

21

49

61

84

104

126

172

212

294

504

Number of gear trains

1

2

2

2

3

3

3

3

3

4

4

4

4

Length(L)           mm

32.5

39.2

39.2

39.2

46

46

46

46

46

52.5

52.5

52.5

52.5

No-load speed     r/min

1628

407

335

271

116

93

68

55

45

33

27

19

11

Rated speed         r/min

1371

343

285

229

98

79

57

47

38

28

23

16

9.5

Rated torque         N.m

0.14

0.51

0.61

0.76

1.6

2.0

2.8

3.4

4.1

5.1

6.3

8.7

15

N.m Max. permissible load in a short time


3

12

12

12

25

25

25

25

25

30

30

30

30


42ZY66-1277 DC Motor

Reduction ratio

3.5

14

17

21

49

61

84

104

126

172

212

294

504

Number of gear trains

1

2

2

2

3

3

3

3

3

4

4

4

4

Length(L)           mm

32.5

39.2

39.2

39.2

46

46

46

46

46

52.5

52.5

52.5

52.5

No-load speed     r/min

1628

407

335

271

116

93

68

55

45

33

27

19

11

Rated speed         r/min

1371

343

285

229

98

79

57

47

38

28

23

16

9.5

Rated torque         N.m

0.14

0.51

0.61

0.76

1.6

2.0

2.8

3.4

4.1

5.1

6.3

8.7

15

N.m Max. permissible load in a short time

3

12

12

12

25

25

25

25

25

30

30

30

30


  • Motor Characteristic Figure

blob.png


图片1.png

product recommendation
product recommendation
28JXL30K/28ZY47

Material of the internal gear ring

28JXL30K/28ZY47: Plastic

Diameter: Φ28mm planetary reducer

Allowable torque range: 3.0N.m


View details
56JX200K/60ZY75

Material of the internal gear ring

56JX200K/60ZY75: Metal material

Diameter: Φ56mm standard type reducer

Allowable torque range: 2 n.m to 20 n.m


View details
52JXM200K/52ZY95

Material of the internal gear ring

52JXM200K/52ZY95: Metal material

Diameter: Φ52mm planetary reducer

Allowable torque range: 2 n.m to 20 n.m


View details
82JX1200K/80ZY125

Material of the internal gear ring

82JX1200K/80ZY125: Metal material

Diameter: Φ82mm planetary reducer

Allowable torque range: 120 n.m


View details
Online Service